Product Summary
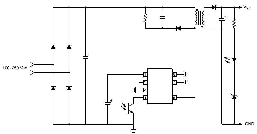
The NCP1015AP065G is a self-supplied monolithic switcher for low standby. The NCP1015AP065G integrates a fixed-frequency current-mode controller and a 700 V voltage MOSFET. Housed in a PDIP-7 or SOT-223 package, the NCP1015AP065G offers everything needed to build a rugged and low-cost power supply, including soft-start, frequency jittering, short-circuit protection, skip-cycle, a maximum peak current set-point and a Dynamic Self-Supply (no need for an auxiliary winding). Unlike other monolithic solutions, the device is quiet by nature: during nominal load operation, the part switches at one of the available frequencies (65-100 kHz). The applications of the NCP1015AP065G include Low Power ac-dc Adapters for Chargers, Auxiliary Power Supplies (USB, Appliances, TVs, etc.).
Parametrics
NCP1015AP065G absolute maximum ratings: (1)Power Supply voltage on all pins, except pin 5 (drain), VCC: -0.3 to 10 V; (2)Drain voltage, Vds: -0.3 to 700 V; (3)Drain peak current during transformer saturation, Idspk: 1 A; (4)Maximum current into pin1, I_VCC: 15 mA; (5)Maximum Junction Temperature, TJMAX: 150℃; (6)Storage Temperature Range: -60 to +150℃; (7)ESD Capability, Human Body Model (HBM) (All pins except HV): 2 kV; (8)ESD Capability, Machine Model (MM): 200V.
Features
NCP1015AP065G features: (1)Built-in 700V MOSFET with typical RDS(on) of 11Ω; (2)Large Creepage Distance between High-voltage Pins; (3)Current-mode Fixed Frequency Operation: 65 kHz - 100 kHz; (4)Skip-cycle Operation at Low Peak Currents Only: No Acoustic Noise; (5)Dynamic Self-Supply, No Need for an Auxiliary Winding; (6)Internal 1 ms Soft-start; (7)Auto-recovery Internal Output Short-circuit Protection; (8)Frequency Jittering for Better EMI Signature; (9)Below 100mW Standby Power if Auxiliary Winding is Used; (10)Internal Temperature Shutdown; (11)Direct Optocoupler Connection; (12)SPICE Models Available for TRANsient and AC Analysis; (13)This is a Pb-Free Device.
Diagrams

| Image | Part No | Mfg | Description | ![]() |
Pricing (USD) |
Quantity | ||||||||||||||
|---|---|---|---|---|---|---|---|---|---|---|---|---|---|---|---|---|---|---|---|---|
![]() |
![]() NCP1015AP065G |
![]() ON Semiconductor |
![]() Other Power Management SELF-SUPPLIED MONOLITHIC SWITCHER |
![]() Data Sheet |
![]()
|
|
||||||||||||||
| Image | Part No | Mfg | Description | ![]() |
Pricing (USD) |
Quantity | ||||||||||||||
![]() |
![]() NCP100 |
![]() Other |
![]() |
![]() Data Sheet |
![]() Negotiable |
|
||||||||||||||
![]() |
![]() NCP1000 |
![]() Other |
![]() |
![]() Data Sheet |
![]() Negotiable |
|
||||||||||||||
![]() |
![]() NCP1000P |
![]() ON Semiconductor |
![]() Other Power Management 700V 500mA Switching |
![]() Data Sheet |
![]() Negotiable |
|
||||||||||||||
![]() |
![]() NCP1000PG |
![]() ON Semiconductor |
![]() Other Power Management 700V 500mA Switching w/OVP and Zero Duty |
![]() Data Sheet |
![]() Negotiable |
|
||||||||||||||
![]() |
![]() NCP1001 |
![]() Other |
![]() |
![]() Data Sheet |
![]() Negotiable |
|
||||||||||||||
![]() |
![]() NCP1001P |
![]() ON Semiconductor |
![]() Other Power Management 700V 500mA Switching |
![]() Data Sheet |
![]() Negotiable |
|
||||||||||||||
(Hong Kong)










