Product Summary
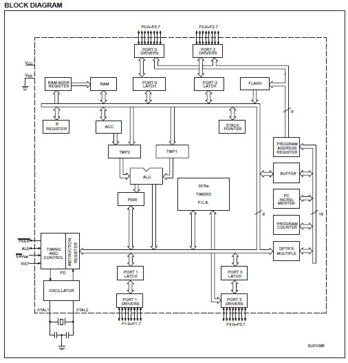
The P89C51RC+IB is an 8-bit Flash microcontroller. The P89C51RC+IB contains a non-volatile FLASH program memory (up to 64 k bytes in the P89C51RC+IB) that is both parallel programmable and Serial In-System Programmable. In-System Programming allows devices to alter their own program memory, in the actual end product, under software control. This opens up a range of applications that can include the ability to field update the application firmware. A default serial loader (boot loader) program in ROM allows In-System serial programming of the FLASH memory without the need for a loader in the FLASH code. User programs may erase and reprogram the FLASH memory at will through the use of standard routines contained in ROM.
Parametrics
P89C51RC+IB absolute maximum ratings: (1)Operating temperature under bias: 0 to +70℃ or -40 to +85℃; (2)Storage temperature range: -65 to +150℃; (3)Voltage on EA/VPP pin to VSS: 0 to +13.0 V; (4)Voltage on any other pin to VSS: -0.5 to +6.5 V; (5)Maximum IOL per I/O pin: 15 mA; (6)Power dissipation (based on package heat transfer limitations, not device power consumption): 1.5 W.
Features
P89C51RC+IB features: (1)80C51 Central Processing Unit; (2)On-chip FLASH Program Memory with In-System Programming (ISP) capability; (3)Boot ROM contains low level FLASH programming routines and a default serial loader; (4)Speed up to 33 MHz; (5)Full static operation; (6)RAM expandable externally to 64 k bytes; (7)4 level priority interrupt; (8)7 interrupt sources, depending on device; (9)Four 8-bit I/O ports; (10)Full-duplex enhanced UART, Framing error detection; Automatic address recognition; (11)Power control modes, Clock can be stopped and resumed; Idle mode; Power down mode; (12)Programmable clock out; (13)Second DPTR register; (14)Asynchronous port reset; (15)Low EMI (inhibit ALE); (16)Watchdog timer.
Diagrams

![]() |
![]() P89C51 |
![]() Other |
![]() |
![]() Data Sheet |
![]() Negotiable |
|
||||
![]() |
![]() P89C51RA2 |
![]() Other |
![]() |
![]() Data Sheet |
![]() Negotiable |
|
||||
![]() |
![]() P89C51RA2xx |
![]() Other |
![]() |
![]() Data Sheet |
![]() Negotiable |
|
||||
![]() |
![]() P89C51RB2 |
![]() Other |
![]() |
![]() Data Sheet |
![]() Negotiable |
|
||||
![]() |
![]() P89C51RB2BA/01,512 |
![]() |
![]() IC 80C51 MCU FLASH 16K 44-PLCC |
![]() Data Sheet |
![]() Negotiable |
|
||||
![]() |
![]() P89C51RB2HBA |
![]() Other |
![]() |
![]() Data Sheet |
![]() Negotiable |
|
||||
(Hong Kong)









