Product Summary
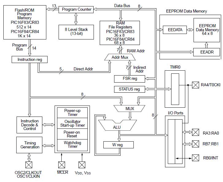
The PIC16LF83-04/SO is a low-cost, high-performance, CMOS 8-bit microcontroller. The PIC16LF83-04/SO employs an advanced RISC architecture. The PIC16LF83-04/SO has enhanced core features, eight-level deep stack, and multiple internal and external interrupt sources. The separate instruction and data buses of the Harvard architecture allow a 14-bit wide instruction word with a separate 8-bit wide data bus. The two stage instruction pipeline allows all instructions to execute in a single cycle, except for program branches (which require two cycles). A total of 35 instructions (reduced instruction set) are available. Additionally, a large register set is used to achieve a very high performance level.
Parametrics
PIC16LF83-04/SO absolute maximum ratings: (1)Ambient temperature under bias: -55℃ to +125℃; (2)Storage temperature: -65℃ to +150℃; (3)Voltage on VDD with respect to VSS: -0.3 to +7.5V; (4)Voltage on MCLR with respect to VSS: -0.3 to +14V; (5)Voltage on any pin with respect to VSS (except VDD and MCLR): -0.6V to (VDD + 0.6V); (6)Total power dissipation: 800 mW; (7)Maximum current out of VSS pin: 150 mA; (8)Maximum current into VDD pin: 100 mA; (9)Input clamp current, IIK (VI < 0 or VI > VDD): ± 20 mA; (10)Output clamp current, IOK (VO < 0 or VO > VDD): ± 20 mA; (11)Maximum output current sunk by any I/O pin: 25 mA; (12)Maximum output current sourced by any I/O pin: 20 mA; (13)Maximum current sunk by PORTA: 80 mA; (14)Maximum current sourced by PORTA: 50 mA; (15)Maximum current sunk by PORTB: 150 mA; (16)Maximum current sourced by PORTB: 100 mA.
Features
PIC16LF83-04/SO features: (1)Only 35 single word instructions to learn; (2)All instructions single cycle except for program branches which are two-cycle; (3)Operating speed: DC - 10 MHz clock input; DC - 400 ns instruction cycle; (4)14-bit wide instructions; (5)8-bit wide data path; (6)15 special function hardware registers; (7)Eight-level deep hardware stack; (8)Direct, indirect and relative addressing modes; (9)Four interrupt sources: External RB0/INT pin; TMR0 timer overflow; PORTB<7:4> interrupt on change; Data EEPROM write complete; (10)1000 erase/write cycles Flash program memory; (11)10,000,000 erase/write cycles EEPROM data memory; (12)EEPROM Data Retention > 40 years.
Diagrams

| Image | Part No | Mfg | Description | ![]() |
Pricing (USD) |
Quantity | ||||||||||||
|---|---|---|---|---|---|---|---|---|---|---|---|---|---|---|---|---|---|---|
![]() |
![]() PIC16LF83-04/SO |
![]() Microchip Technology |
![]() 8-bit Microcontrollers (MCU) .875KB 36 RAM 13 I/O |
![]() Data Sheet |
![]()
|
|
||||||||||||
| Image | Part No | Mfg | Description | ![]() |
Pricing (USD) |
Quantity | ||||||||||||
![]() |
![]() PIC1018SCL |
![]() Other |
![]() |
![]() Data Sheet |
![]() Negotiable |
|
||||||||||||
![]() |
![]() PIC10F200 |
![]() Other |
![]() |
![]() Data Sheet |
![]() Negotiable |
|
||||||||||||
![]() |
![]() PIC10F200-E/MC |
![]() Microchip Technology |
![]() 8-bit Microcontrollers (MCU) 384B Flash16B RAM 4 I/O |
![]() Data Sheet |
![]()
|
|
||||||||||||
![]() |
![]() PIC10F200-E/OT |
![]() Other |
![]() |
![]() Data Sheet |
![]() Negotiable |
|
||||||||||||
![]() |
![]() PIC10F200-E/P |
![]() Microchip Technology |
![]() 8-bit Microcontrollers (MCU) U 579-PIC10F200-I/P |
![]() Data Sheet |
![]() Negotiable |
|
||||||||||||
![]() |
![]() PIC10F200-I/MC |
![]() Microchip Technology |
![]() 8-bit Microcontrollers (MCU) 0.375KB Fl 16B RAM |
![]() Data Sheet |
![]()
|
|
||||||||||||
(Hong Kong)










