Product Summary
The PIC16LF871T-I/L is an 8-Bit CMOS FLASH Microcontroller. The PIC16LF871T-I/L has a 13-bit program counter capable of addressing an 8K × 14 program memory space. The PIC16LF871T-I/L has 2K × 14 words of FLASH program memory. Accessing a location above the physically implemented address will cause a wraparound.
Parametrics
PIC16LF871T-I/L absolute maximum ratings: (1)Ambient temperature under bias: -55℃ to +125℃; (2)Storage temperature: -65℃ to +150℃; (3)Voltage on any pin with respect to VSS (except VDD, MCLR. and RA4): -0.3V to (VDD + 0.3V); (4)Voltage on VDD with respect to VSS: -0.3 to +7.5V; (5)Voltage on MCLR with respect to VSS: 0 to +13.25V; (6)Voltage on RA4 with respect to Vss: 0 to +8.5V; (7)Total power dissipation: 1.0W; (8)Maximum current out of VSS pin: 300 mA; (9)Maximum current into VDD pin: 250 mA; (10)Input clamp current, IIK (VI < 0 or VI > VDD): ± 20 mA; (11)Output clamp current, IOK (VO < 0 or VO > VDD): ± 20 mA; (12)Maximum output current sunk by any I/O pin: 25 mA; (13)Maximum output current sourced by any I/O pin: 25 mA; (14)Maximum current sunk by PORTA, PORTB, and PORTE (combined): 200 mA; (15)Maximum current sourced by PORTA, PORTB, and PORTE (combined): 200 mA; (16)Maximum current sunk by PORTC and PORTD (combined): 200 mA; (17)Maximum current sourced by PORTC and PORTD (combined): 200 mA.
Features
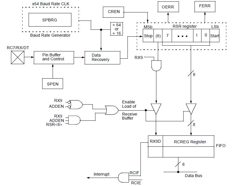
PIC16LF871T-I/L features: (1)High-performance RISC CPU; (2)Only 35 single word instructions to learn; (3)All single cycle instructions except for program branches which are two cycle; (4)Operating speed: DC - 20 MHz clock input; DC - 200 ns instruction cycle; (5)2K x 14 words of FLASH Program Memory; 128 x 8 bytes of Data Memory (RAM); 64 x 8 bytes of EEPROM Data Memory; (6)Pinout compatible to the PIC16C72A; (7)Interrupt capability (up to 10 sources); (8)Eight level deep hardware stack; (9)Direct, indirect and relative addressing modes; (10)Power-on Reset (POR); (11)Power-up Timer (PWRT) and Oscillator Start-up Timer (OST)Watchdog Timer (WDT) with its own on-chip RC oscillator for reliable operation; (12)Programmable code-protection; (13)Power saving SLEEP mode; (14)Selectable oscillator options; (15)Low-power, high-speed CMOS FLASH/EEPROM technology; (16)Fully static design; (17)In-Circuit Serial Programming (ICSP) via two pins; (18)Single 5V In-Circuit Serial Programming capability; (19)In-Circuit Debugging via two pins; (20)Processor read/write access to program memory; (21)Wide operating voltage range: 2.0V to 5.5V; (22)High Sink/Source Current: 25 mA; (23)Commercial and Industrial temperature ranges; (24)Low-power consumption: < 2 mA typical @ 5V, 4 MHz; 20 mA typical @ 3V, 32 kHz; < 1 mA typical standby current.
Diagrams

| Image | Part No | Mfg | Description | ![]() |
Pricing (USD) |
Quantity | ||||||||||||
|---|---|---|---|---|---|---|---|---|---|---|---|---|---|---|---|---|---|---|
![]() |
![]() PIC16LF871T-I/L |
![]() Microchip Technology |
![]() 8-bit Microcontrollers (MCU) 3.5KB 128 RAM 33 I/O |
![]() Data Sheet |
![]() Negotiable |
|
||||||||||||
| Image | Part No | Mfg | Description | ![]() |
Pricing (USD) |
Quantity | ||||||||||||
![]() |
![]() PIC1018SCL |
![]() Other |
![]() |
![]() Data Sheet |
![]() Negotiable |
|
||||||||||||
![]() |
![]() PIC10F200 |
![]() Other |
![]() |
![]() Data Sheet |
![]() Negotiable |
|
||||||||||||
![]() |
![]() PIC10F200-E/MC |
![]() Microchip Technology |
![]() 8-bit Microcontrollers (MCU) 384B Flash16B RAM 4 I/O |
![]() Data Sheet |
![]()
|
|
||||||||||||
![]() |
![]() PIC10F200-E/OT |
![]() Other |
![]() |
![]() Data Sheet |
![]() Negotiable |
|
||||||||||||
![]() |
![]() PIC10F200-E/P |
![]() Microchip Technology |
![]() 8-bit Microcontrollers (MCU) U 579-PIC10F200-I/P |
![]() Data Sheet |
![]() Negotiable |
|
||||||||||||
![]() |
![]() PIC10F200-I/MC |
![]() Microchip Technology |
![]() 8-bit Microcontrollers (MCU) 0.375KB Fl 16B RAM |
![]() Data Sheet |
![]()
|
|
||||||||||||
(Hong Kong)










