Product Summary
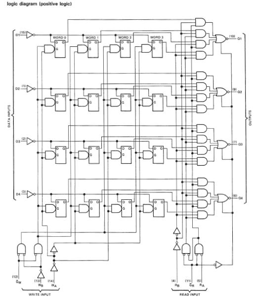
The SN74LS670N is a 16-bit TTL register file incorporates the equivalent of 98 gates. The SN74LS670N is organized as 4 words of 4 bits each and separate on-chip decoding is provided for addressing the four word locations to either write-in or retrieve data. The SN74LS670N permits simultaneous writing into one location and reading from another word location. Four data inputs are available which are used to supply the 4-bit word to be stored. Location of the word is determined by the write-address inputs A and B in conjunction with a write-enable signal. Data applied at the inputs should be in its true form. That is, if a high-level signal is desired from the output, a high-level is applied at the data input for that particular bit location.
Parametrics
SN74LS670N absolute maximum ratings: (1)Supply voltage, Vcc: 7 V; (2)Input voltage: 7 V; (3)Off-state output voltage: 5.5 V; (4)Operating free-air temperature range: 0℃ to 70℃; (5)Storage temperature range: -65℃ to 150℃.
Features
SN74LS670N features: (1)Separate Read/Write Addressing Permits Simultaneous Reading and Writing; (2)Fast Access Times: Typically 20 ns; (3)Organized as 4 Words of 4 Bits; (4)Expandable to 512 Words of n-Bits; (5)For Use as: Scratch-Pad Memory; Buffer Storage between Processors; Bit Storage in Fast Multiplication Designs; (6)3-State Outputs; (7)SN54LS170 and SM74LS170 Are Similar But Have Open-Collector Outputs.
Diagrams

| Image | Part No | Mfg | Description | ![]() |
Pricing (USD) |
Quantity | ||||||||||||
|---|---|---|---|---|---|---|---|---|---|---|---|---|---|---|---|---|---|---|
![]() |
![]() SN74LS670N |
![]() Texas Instruments |
![]() Registers 4-by-4 register file With 3-State Outputs |
![]() Data Sheet |
![]()
|
|
||||||||||||
![]() |
![]() SN74LS670NE4 |
![]() Texas Instruments |
![]() Registers 4-by-4 register file With 3-State Outputs |
![]() Data Sheet |
![]()
|
|
||||||||||||
![]() |
![]() SN74LS670NSRG4 |
![]() Texas Instruments |
![]() Registers 4 by 4 Registr Files |
![]() Data Sheet |
![]()
|
|
||||||||||||
![]() |
![]() SN74LS670NSR |
![]() Texas Instruments |
![]() Registers 4-by-4 register file With 3-State Outputs |
![]() Data Sheet |
![]()
|
|
||||||||||||
![]() |
![]() SN74LS670NSRE4 |
![]() Texas Instruments |
![]() Registers 4-by-4 register file With 3-State Outputs |
![]() Data Sheet |
![]()
|
|
||||||||||||
(Hong Kong)









