Product Summary
The SN75HVD07DRG4 is a high output RS-485 transceiver. It combines a 3-state differential line driver and differential line receiver. The SN75HVD07DRG4 is designed for balanced data transmission and interoperate with ANSI TIA/EIA-485-A and ISO 8482E standard-compliant devices. The driver is designed to provide a differential output voltage greater than that required by these standards for increased noise margin. The applications of the SN75HVD07DRG4 are Data Transmission Over Long or Lossy Lines or Electrically Noisy Environments, Profibus Line Interface, Industrial Process Control Networks, Point-of-Sale (POS) Networks, Electric Utility Metering, Building Automation, Digital Motor Control.
Parametrics
SN75HVD07DRG4 absolute maximum ratings: (1)Supply voltage range:-0.3 V to 6 V; (2)Voltage range at A or B:-9 V to 14 V; (3)Input voltage range at D, DE, R or RE:-0.5 V to V CC + 0.5 V; (4)Voltage input range, transient pulse, A and B, through 100 Ω:-50 V to 50 V; (5)Receiver output current:-11 mA to 11mA; (6)Electrostatic discharge: Human body model: A, B, and GND:16 kV, All pins:4 kV; Charged-device model: All pins:1 kV.
Features
SN75HVD07DRG4 features:(1)Minimum Differential Output Voltage of 2.5 V Into a 54Ω Load; (2)Open-Circuit, Short-Circuit, and Idle-Bus Failsafe Receiver; (3)1/8 th Unit-Load Option Available (Up to 256 Nodes on the Bus); (4)Bus-Pin ESD Protection Exceeds 16 kV HBM; (5)Driver Output Slew Rate Control Options; (6)Electrically Compatible With ANSI TIA/EIA-485-A Standard; (7)Low-Current Standby Mode:1μA Typical; (8)Glitch-Free Power-Up and Power-Down Protection for Hot-Plugging Applications; (9)Pin Compatible With Industry Standard SN75176.
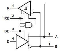
Diagrams

| Image | Part No | Mfg | Description | ![]() |
Pricing (USD) |
Quantity | ||||||||||||
|---|---|---|---|---|---|---|---|---|---|---|---|---|---|---|---|---|---|---|
![]() |
![]() SN75HVD07DRG4 |
![]() Texas Instruments |
![]() Bus Transceivers High-Output RS-485 Transceiver |
![]() Data Sheet |
![]()
|
|
||||||||||||
| Image | Part No | Mfg | Description | ![]() |
Pricing (USD) |
Quantity | ||||||||||||
![]() |
![]() SN75061 |
![]() Other |
![]() |
![]() Data Sheet |
![]() Negotiable |
|
||||||||||||
![]() |
![]() SN75076B |
![]() Other |
![]() |
![]() Data Sheet |
![]() Negotiable |
|
||||||||||||
![]() |
![]() SN75107A |
![]() Other |
![]() |
![]() Data Sheet |
![]() Negotiable |
|
||||||||||||
![]() |
![]() SN75107AD |
![]() Texas Instruments |
![]() Bus Receivers Dual Line |
![]() Data Sheet |
![]()
|
|
||||||||||||
![]() |
![]() SN75107ADE4 |
![]() Texas Instruments |
![]() Buffers & Line Drivers DUAL LINE RECEIVER |
![]() Data Sheet |
![]()
|
|
||||||||||||
![]() |
![]() SN75107ADG4 |
![]() Texas Instruments |
![]() Buffers & Line Drivers Dual Line Receiver |
![]() Data Sheet |
![]()
|
|
||||||||||||
(Hong Kong)










