Product Summary
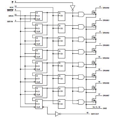
The TPIC6B595N is a monolithic, high-voltage, medium-current power 8-bit shift register designed for use in systems that require relatively high load power. The device contains a built-in voltage clamp on the outputs for inductive transient protection. Power driver applications include relays, solenoids, and other mediumcurrent or high-voltage loads. The TPIC6B595N contains an 8-bit serial-in, parallel-out shift register that feeds an 8-bit D-type storage register. Data transfers through both the shift and storage registers on the rising edge of the shift-register clock (SRCK) and the register clock (RCK), respectively. The storage register transfers data to the output buffer when shiftregister clear (SRCLR) is high. When SRCLR is low, the input shift register is cleared. When output enable (G) is held high, all data in the output buffers is held low and all drain outputs are off. When G is held low, data from the storage register is transparent to the output buffers. When data in the output buffers is low, the DMOS-transistor outputs are off. When data is high, the DMOStransistor outputs have sink-current capability. The serial output (SER OUT) allows for cascading of the data from the shift register to additional devices. Outputs are low-side, open-drain DMOS transistors with output ratings of 50 V and 150-mA continuous sinkcurrent capability. Each output provides a 500-mA typical current limit at TC = 25℃. The current limit decreases as the junction temperature increases for additional device protection. The TPIC6B595N is characterized for operation over the operating case temperature range of –40℃ to 125℃.
Parametrics
TPIC6B595N absolute maximum ratings: (1)Logic supply voltage, VCC: 7 V; (2)Logic input voltage range, VI: –0.3 V to 7 V; (3)Power DMOS drain-to-source voltage, VDS: 50 V; (4)Continuous source-to-drain diode anode current: 500 mA; (5)Pulsed source-to-drain diode anode current: 1 A; (6)Pulsed drain current, each output, all outputs on, ID, TC = 25℃: 500 mA; (7)Continuous drain current, each output, all outputs on, ID, TC = 25℃: 150 mA; (8)Peak drain current single output, IDM,TC = 25℃: 500 mA; (9)Single-pulse avalanche energy, EAS: 30 mJ; (10)Avalanche current, IAS: 500 mA; (11)Operating virtual junction temperature range, TJ: –40℃ to 150℃; (12)Operating case temperature range, TC: –40℃ to 125℃; (13)Storage temperature range: –65℃ to 150℃; (14)Lead temperature 1,6 mm (1/16 inch) from case for 10 seconds: 260℃.
Features
TPIC6B595N features: (1)Low rDS(on): 5 Ω Typical; (2)Avalanche Energy: 30 mJ; (3)Eight Power DMOS-Transistor Outputs of 150-mA Continuous Current; (4)500-mA Typical Current-Limiting Capability; (5)Output Clamp Voltage: 50 V; (6)Devices Are Cascadable; (7)Low Power Consumption.
Diagrams

| Image | Part No | Mfg | Description | ![]() |
Pricing (USD) |
Quantity | ||||||||||||
|---|---|---|---|---|---|---|---|---|---|---|---|---|---|---|---|---|---|---|
![]() |
![]() TPIC6B595N |
![]() Texas Instruments |
![]() Counter Shift Registers Power 8-Bit Shift |
![]() Data Sheet |
![]()
|
|
||||||||||||
| Image | Part No | Mfg | Description | ![]() |
Pricing (USD) |
Quantity | ||||||||||||
![]() |
![]() TPIC0107B |
![]() Other |
![]() |
![]() Data Sheet |
![]() Negotiable |
|
||||||||||||
![]() |
![]() TPIC0107BDWP |
![]() |
![]() INTEL H-BRIDGE 180 MOHM 20-HSOIC |
![]() Data Sheet |
![]()
|
|
||||||||||||
![]() |
![]() TPIC0108B |
![]() Other |
![]() |
![]() Data Sheet |
![]() Negotiable |
|
||||||||||||
![]() |
![]() TPIC0108BDWP |
![]() |
![]() INTEL H-BRIDGE 180 MOHM 20-HSOP |
![]() Data Sheet |
![]() Negotiable |
|
||||||||||||
![]() |
![]() TPIC0108BDWPR |
![]() |
![]() INTEL H-BRIDGE 180 MOHM 20-HSOIC |
![]() Data Sheet |
![]() Negotiable |
|
||||||||||||
![]() |
![]() TPIC0298 |
![]() Other |
![]() |
![]() Data Sheet |
![]() Negotiable |
|
||||||||||||
(Hong Kong)










