Product Summary
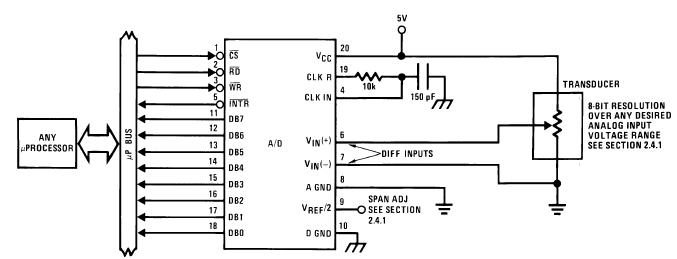
The ADC0804LCJ is a CMOS 8-bit successive approximation A/D converter that use a differential potentiometric ladder-similar to the 256R products. TheADC0804LCJ is designed to allow operation with the NSC800 and INS8080A derivative control bus with TRI-STATE output latches directly driving the data bus. The ADC0804LCJ appears like memory locations or I/O ports to the microprocessor and no interfacing logic is needed. Differential analog voltage inputs allow increasing the common-mode rejection and offsetting the analog zero input voltage value. In addition, the voltage reference input can be adjusted to allow encoding any smaller analog voltage span to the full 8 bits of resolution.
Parametrics
ADC0804LCJ absolute maximum ratings: (1)Supply Voltage (VCC): 6.5V; (2)Voltage, Logic Control Inputs: -0.3V to +18V; At Other Input and Outputs: -0.3V to (VCC+0.3V); (3)Lead Temp. (Soldering, 10 seconds), Dual-In-Line Package (plastic): 260℃; Dual-In-Line Package (ceramic): 300℃; Surface Mount Package Vapor Phase (60 seconds): 215℃; Infrared (15 seconds): 220℃; (4)Storage Temperature Range: -65℃ to +150℃; (5)Package Dissipation at TA = 25℃: 875 mW; (6)ESD Susceptibility: 800V.
Features
ADC0804LCJ features: (1)Compatible with 8080 μP derivatives—no interfacing logic needed - access time - 135 ns; (2)Easy interface to all microprocessors, or operates “stand alone”; (3)Differential analog voltage inputs; (4)Logic inputs and outputs meet both MOS and TTL voltage level specifications; (5)Works with 2.5V (LM336) voltage reference; (6)On-chip clock generator; (7)0V to 5V analog input voltage range with single 5V supply; (8)No zero adjust required; (9)0.3" standard width 20-pin DIP package; (10)20-pin molded chip carrier or small outline package; (11)Operates ratiometrically or with 5 VDC, 2.5 VDC, or analog span adjusted voltage reference.
Diagrams

| Image | Part No | Mfg | Description | ![]() |
Pricing (USD) |
Quantity | ||||||||||||
|---|---|---|---|---|---|---|---|---|---|---|---|---|---|---|---|---|---|---|
![]() |
![]() ADC0804LCJ |
![]() |
![]() IC ADC 8BIT MPU COMPAT 20-CDIP |
![]() Data Sheet |
![]() Negotiable |
|
||||||||||||
| Image | Part No | Mfg | Description | ![]() |
Pricing (USD) |
Quantity | ||||||||||||
![]() |
![]() ADC0800 |
![]() Other |
![]() |
![]() Data Sheet |
![]() Negotiable |
|
||||||||||||
![]() |
![]() ADC0801 |
![]() Other |
![]() |
![]() Data Sheet |
![]() Negotiable |
|
||||||||||||
![]() |
![]() ADC0801LCN/NOPB |
![]() National Semiconductor (TI) |
![]() ADC (A/D Converters) |
![]() Data Sheet |
![]()
|
|
||||||||||||
![]() |
![]() ADC0801S040/DB |
![]() NXP Semiconductors |
![]() Data Conversion IC Development Tools ADC DEMO BOARD |
![]() Data Sheet |
![]()
|
|
||||||||||||
![]() |
![]() ADC0801S040TS/C1,1 |
![]() NXP Semiconductors |
![]() ADC (A/D Converters) SGL 8-BIT ADC 40MSPS ULTRA LO |
![]() Data Sheet |
![]()
|
|
||||||||||||
![]() |
![]() ADC0801S040TS/C1:1 |
![]() NXP Semiconductors |
![]() ADC (A/D Converters) ADC Single 40MSPS 8-Bit Parallel 20pin |
![]() Data Sheet |
![]() Negotiable |
|
||||||||||||
(Hong Kong)












