Product Summary
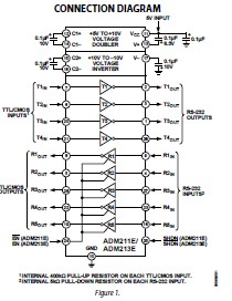
The ADM213ARZ is a robust RS-232 and V.28 interface device that operates from a single 5 V power supply. The ADM213ARZ is suitable for operation in harsh electrical environments and are compliant with the EU directive on electromagnetic compatibility (EMC) (89/336/EEC). The level of emissions and immunity are both in compliance. EM immunity includes ESD protection in excess of ±15 kV on all I/O lines (IEC 1000-4-2), fast transient burst protection (IEC 100044), and radiated immunity (IEC 1000-4-3). EM emissions include radiated and conducted emissions as required by Information Technology Equipment EN 55022, CISPR 22.
Parametrics
ADM213ARZ absolute maximum ratings: (1)VCC: -0.3 V to +6 V; (2)V+: (VCC - 0.3 V)to +14 V; (3)V-: +0.3 V to -14 V; (4)Operating Temperature Range: -40℃to +85℃; (5)Storage Temperature Range: -65℃to +150℃; (6)Lead Temperature, Soldering (10 sec): 300℃.
Features
ADM213ARZ features: (1)EFT/burst immunity (IEC 1000-4-4); (2)Low EMI emissions (EN 55022); (3)Eliminates need for TransZorb suppressors; (4)230 kbps data rate guaranteed; (5)Single 5 V power supply; (6)Shutdown mode 1 uW; (7)Plug-in upgrade for MAX2xxE; (8)Space saving TSSOP package available.
Diagrams

| Image | Part No | Mfg | Description | ![]() |
Pricing (USD) |
Quantity | ||||||||||||||||||
|---|---|---|---|---|---|---|---|---|---|---|---|---|---|---|---|---|---|---|---|---|---|---|---|---|
![]() |
![]() ADM213ARZ |
![]() |
![]() IC TXRX RS-232 5V 0.1UF 28SOIC |
![]() Data Sheet |
![]()
|
|
||||||||||||||||||
![]() |
![]() ADM213ARZ-REEL |
![]() |
![]() IC TXRX RS-232 5V 0.1UF 28SOIC |
![]() Data Sheet |
![]()
|
|
||||||||||||||||||
(Hong Kong)









