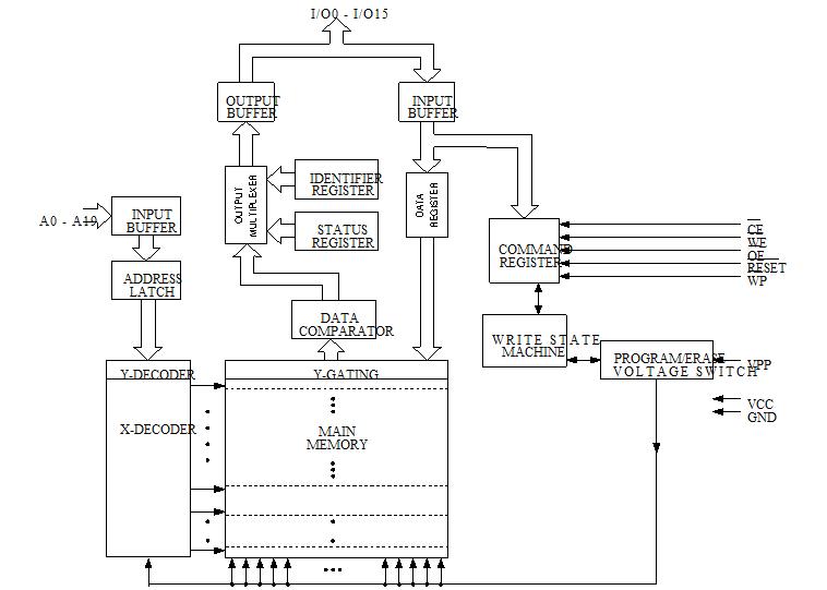
Product Summary
The AT49BV160DT-70CU is a 3V only flash memory. It can be read or reprogrammed using a single power supply, making it ideally suited for in-system programming.
Parametrics
AT49BV160DT-70CU absolute maximum ratings: (1)temperature under bias: -55 to 125℃; (2)storage temperature: -65 to 150℃; (3)all input voltage with respect to ground: -0.6 to 6.25V; (4)all output voltage with respect to ground: -0.6 to VCC+0.6V; (5)voltage on VPP with respect to ground: -0.6 to 10V.
Features
AT49BV160DT-70CU features: (1)single voltage read/write operation: 2.65V to 3.6V; (2)access time-70ns; (3)sector erase architecture; (4)fast word program time-10μs; (5)suspend/resume feature for erase and program.
Diagrams

| Image | Part No | Mfg | Description | ![]() |
Pricing (USD) |
Quantity | ||||||||||||
|---|---|---|---|---|---|---|---|---|---|---|---|---|---|---|---|---|---|---|
![]() |
![]() AT49BV160DT-70CU |
![]() Atmel |
![]() Flash 16M 3V ASYNC BTTM BT-70NS BTTM BT |
![]() Data Sheet |
![]() Negotiable |
|
||||||||||||
| Image | Part No | Mfg | Description | ![]() |
Pricing (USD) |
Quantity | ||||||||||||
![]() |
![]() AT490JB |
![]() NKK Switches |
![]() Switch Hardware RND CLR/WH CAP LED |
![]() Data Sheet |
![]() Negotiable |
|
||||||||||||
![]() |
![]() AT490JC |
![]() NKK Switches |
![]() Switch Hardware RND CLR/RED CAP LED |
![]() Data Sheet |
![]() Negotiable |
|
||||||||||||
![]() |
![]() AT490JD |
![]() NKK Switches |
![]() Switch Hardware RND CLR/AMBR CAP LED |
![]() Data Sheet |
![]() Negotiable |
|
||||||||||||
![]() |
![]() AT490JE |
![]() NKK Switches |
![]() Switch Hardware RND CLR/YLW CAP LED |
![]() Data Sheet |
![]()
|
|
||||||||||||
![]() |
![]() AT490JF |
![]() NKK Switches |
![]() Switch Hardware RND CLR/GRN CAP LED |
![]() Data Sheet |
![]() Negotiable |
|
||||||||||||
![]() |
![]() AT494 |
![]() NKK Switches |
![]() Switch Hardware PROTECTIVE GUARD KB |
![]() Data Sheet |
![]()
|
|
||||||||||||
(Hong Kong)














