Product Summary
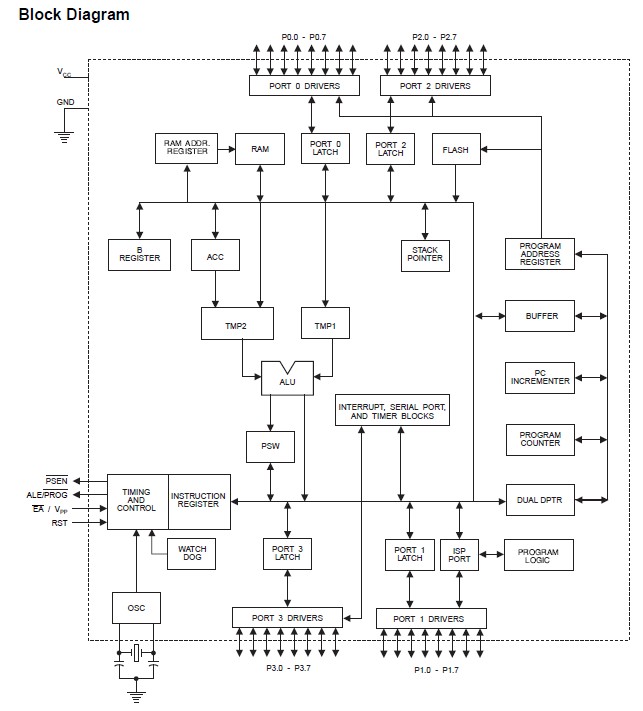
The AT89S51-24JI is a low-power, high-performance CMOS 8-bit microcontroller with 4K bytes of in-system programmable Flash memory. The AT89S51-24JI is manufactured using Atmel high-density nonvolatile memory technology and is compatible with the industry-standard 80C51 instruction set and pinout. The on-chip Flash allows the program memory to be reprogrammed in-system or by a conventional nonvolatile memory programmer. By combining a versatile 8-bit CPU with in-system programmable Flash on a monolithic chip, the Atmel AT89S51-24JI is a powerful microcontroller which provides a highly-flexible and cost-effective solution to many embedded control applications. The AT89S51-24JI provides the following standard features: 4K bytes of Flash, 128 bytes of RAM, 32 I/O lines, Watchdog timer, two data pointers, two 16-bit timer/counters, a fivevector two-level interrupt architecture, a full duplex serial port, on-chip oscillator, and clock circuitry. In addition, the AT89S51-24JI is designed with static logic for operation down to zero frequency and supports two software selectable power saving modes. The Idle Mode of the AT89S51-24JI stops the CPU while allowing the RAM, timer/counters, serial port, and interrupt system to continue functioning. The Power-down mode saves the RAM contents but freezes the oscillator, disabling all other chip functions until the next external interrupt or hardware reset.
Parametrics
AT89S51-24JI absolute maximum ratings: (1)Storage Temperature: -65℃ to +150℃; (2)Voltage on Any Pin with Respect to Ground: -1.0V to +7.0V; (3)Maximum Operating Voltage: 6.6V; (4)DC Output Current: 15.0 mA; (5)Operating Temperature: -55℃ to +125℃.
Features
AT89S51-24JI features: (1)Compatible with MCS-51Products; (2)4K Bytes of In-System Programmable (ISP) Flash Memory. Endurance: 1000 Write/Erase Cycles; (3)4.0V to 5.5V Operating Range; (4)Fully Static Operation: 0 Hz to 33 MHz; (5)Three-level Program Memory Lock; (6)128 x 8-bit Internal RAM; (7)32 Programmable I/O Lines; (8)Two 16-bit Timer/Counters; (9)Six Interrupt Sources; (10)Full Duplex UART Serial Channel; (11)Low-power Idle and Power-down Modes; (12)Interrupt Recovery from Power-down Mode; (13)Watchdog Timer; (14)Dual Data Pointer; (15)Power-off Flag; (16)Fast Programming Time; (17)Flexible ISP Programming (Byte and Page Mode).
Diagrams

| Image | Part No | Mfg | Description | ![]() |
Pricing (USD) |
Quantity | ||||||
|---|---|---|---|---|---|---|---|---|---|---|---|---|
![]() |
![]() AT89S51-24JI |
![]() Atmel |
![]() 8-bit Microcontrollers (MCU) 4K ISP FLASH 2.7 TO 5.5V - 24MHz |
![]() Data Sheet |
![]() Negotiable |
|
||||||
| Image | Part No | Mfg | Description | ![]() |
Pricing (USD) |
Quantity | ||||||
![]() |
![]() AT8934 |
![]() TE Connectivity |
![]() General Purpose / Industrial Relays SEALED R RELAY |
![]() Data Sheet |
![]()
|
|
||||||
![]() |
![]() AT8985P |
![]() Other |
![]() |
![]() Data Sheet |
![]() Negotiable |
|
||||||
![]() |
![]() AT8989UP |
![]() Other |
![]() |
![]() Data Sheet |
![]() Negotiable |
|
||||||
![]() |
![]() AT8992-A2-T-1 |
![]() |
![]() IC SWITCH PHY 64-TQFP |
![]() Data Sheet |
![]() Negotiable |
|
||||||
![]() |
![]() AT8992M-A2-T-1 |
![]() |
![]() IC SWITCH PHY 100-MQFP |
![]() Data Sheet |
![]() Negotiable |
|
||||||
![]() |
![]() AT8993-A2-T-1 |
![]() |
![]() IC SWITCH PHY 100-MQFP |
![]() Data Sheet |
![]() Negotiable |
|
||||||
(Hong Kong)










