Product Summary
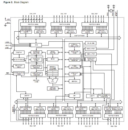
The ATMEGA128L-8MU is a low-power CMOS 8-bit microcontroller based on the AVR enhanced RISC architecture. By executing powerful instructions in a single clock cycle, the ATMEGA128L-8MU achieves throughputs approaching 1 MIPS per MHz allowing the system designer to optimize power consumption versus processing speed. The ATMEGA128L-8MU is manufactured using Atmel’s high-density nonvolatile memory technology. The boot program can use any interface to download the application program in the application Flash memory.
Parametrics
ATMEGA128L-8MU absolute maximum ratings: (1)Operating Temperature: -55℃ to +125℃; (2)Storage Temperature: -65℃ to +150℃; (3)Voltage on any Pin except RESET with respect to Ground: -0.5V to VCC+0.5V; (4)Voltage on RESET with respect to Ground: -0.5V to +13.0V; (5)Maximum Operating Voltage: 6.0V; (6)DC Current per I/O Pin: 40.0 mA; (7)DC Current VCC and GND Pins: 200.0 to 400.0mA.
Features
ATMEGA128L-8MU features: (1)133 Powerful Instructions-Most Single Clock Cycle Execution; (2)32 x 8 General Purpose Working Registers + Peripheral Control Registers; (3)Fully Static Operation; (4)Up to 16 MIPS Throughput at 16 MHz; (5)On-chip 2-cycle Multiplier; (6)128K Bytes of In-System Self-programmable Flash program memory; (7)4K Bytes EEPROM; (8)4K Bytes Internal SRAM; (9)Write/Erase cycles: 10,000 Flash/100,000 EEPROM; (10)Data retention: 20 years at 85℃/100 years at 25℃; (11)Optional Boot Code Section with Independent Lock Bits; (12)Boundary-scan Capabilities According to the JTAG Standard; (13)Extensive On-chip Debug Support; (14)Programming of Flash, EEPROM, Fuses and Lock Bits through the JTAG Interface; (15)Two 8-bit Timer/Counters with Separate Prescalers and Compare Modes; (16)Two Expanded 16-bit Timer/Counters with Separate Prescaler, Compare Mode and Capture Mode; (17)Real Time Counter with Separate Oscillator; (18)Two 8-bit PWM Channels; (19)6 PWM Channels with Programmable Resolution from 2 to 16 Bits; (20)Output Compare Modulator; (21)8-channel, 10-bit ADC; (22)Byte-oriented Two-wire Serial Interface; (23)Dual Programmable Serial USARTs; (24)Master/Slave SPI Serial Interface; (25)Programmable Watchdog Timer with On-chip Oscillator; (26)On-chip Analog Comparator.
Diagrams

| Image | Part No | Mfg | Description | ![]() |
Pricing (USD) |
Quantity | ||||||||||||
|---|---|---|---|---|---|---|---|---|---|---|---|---|---|---|---|---|---|---|
![]() |
![]() ATmega128L-8MU |
![]() Atmel |
![]() 8-bit Microcontrollers (MCU) 128kB Flash 4kB EEPROM 53 I/O Pins |
![]() Data Sheet |
![]()
|
|
||||||||||||
![]() |
![]() ATMEGA128L-8MUR |
![]() Atmel |
![]() 8-bit Microcontrollers (MCU) AVR,128KB FLASH 4KB EE,4KB SRAM,8MHZ |
![]() Data Sheet |
![]()
|
|
||||||||||||
(Hong Kong)










