Product Summary
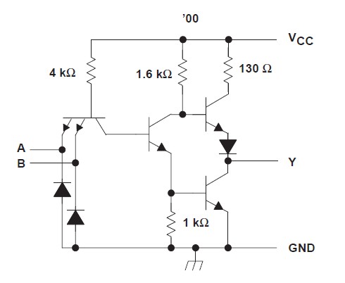
The SN7400N is a quadruple 2-input positive-nand gate.
Parametrics
SN7400N absolute maximum ratings: (1)Supply voltage, VCC: 7 V; (2)Input voltage: 5.5 V; (3)Package thermal impedance, θJA: D package: 86℃/W; DB package: 96℃/W; N package: 80℃/W; NS package: 76℃/W; PS package: 95℃/W; (4)Storage temperature range, Tstg: -65℃ to 150℃.
Features
SN7400N features: (1)Package Options Include Plastic Small-Outline (D, NS, PS), Shrink Small-Outline (DB), and Ceramic Flat (W) Packages, Ceramic Chip Carriers (FK), and Standard Plastic (N) and Ceramic (J) DIPs; (2)Also Available as Dual 2-Input Positive-NAND Gate in Small-Outline (PS) Package.
Diagrams

| Image | Part No | Mfg | Description | ![]() |
Pricing (USD) |
Quantity | ||||||||||||
|---|---|---|---|---|---|---|---|---|---|---|---|---|---|---|---|---|---|---|
![]() |
![]() SN7400NSRE4 |
![]() |
![]() IC QUAD 2IN POS-NAND GATE 14-SOP |
![]() Data Sheet |
![]() Negotiable |
|
||||||||||||
![]() |
![]() SN7400NSRG4 |
![]() |
![]() IC QUAD 2IN POS-NAND GATE 14-SOP |
![]() Data Sheet |
![]() Negotiable |
|
||||||||||||
![]() |
![]() SN7400NSR |
![]() |
![]() IC QUAD 2IN POS-NAND GATE 14-SOP |
![]() Data Sheet |
![]() Negotiable |
|
||||||||||||
![]() |
![]() SN7400NE4 |
![]() Texas Instruments |
![]() Gates (AND / NAND / OR / NOR) Quad 2-input Positive-NAND gates |
![]() Data Sheet |
![]()
|
|
||||||||||||
![]() |
![]() SN7400N |
![]() Texas Instruments |
![]() Gates (AND / NAND / OR / NOR) Quad 2-Input |
![]() Data Sheet |
![]()
|
|
||||||||||||
(Hong Kong)










