Product Summary
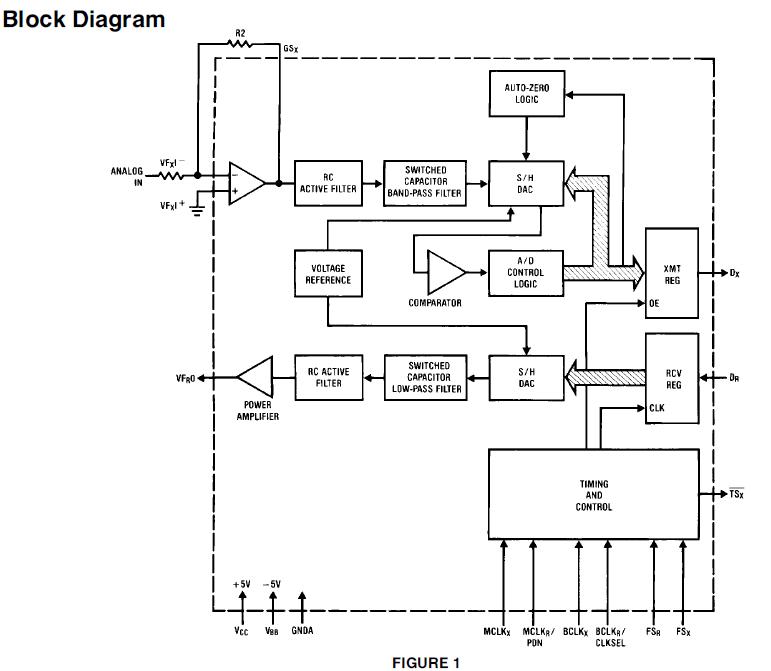
The TP3057N is a Enhanced Serial Interface CODEC/Filter COMBO. The TP3057N consists of μ-law and A-law monolithic PCM CODEC/filter utilizing the A/D and D/A conversion architecture shown inFigure 1, and a serial PCM interface. The TP3057N is abricated using National’s advanced double-poly CMOS process (microCMOS). The encode portion of each device consists of an input gain adjust amplifier, an active RC pre-filter which eliminates very high frequency noise prior to entering a switched-capacitor band-pass filter that rejects signals below 200 Hz and above 3400 Hz. Also included are auto-zero circuitry and a companding coder which samples the filtered signal and encodes it in the companded m-law or A-law PCM format.
Parametrics
TP3057N absolute maximum ratings: (1)VCC to GNDA: 7V; (2)VBB to GNDA: -7V; (3)Voltage at any Analog Input or Output: VCC +0.3V to VBB -0.3V; (4)Voltage at any Digital Input or Output: VCC +0.3V to GNDA -0.3V; (5)Operating Temperature Range: -25℃ to +125℃; (6)Storage Temperature Range: -65℃ to +150℃; (7)Lead Temperature (Soldering, 10 seconds): 300℃; (8)ESD (Human Body Model): 2000V.
Features
TP3057N features: (1)Complete CODEC and filtering system (COMBO) including: Transmit high-pass and low-pass filtering; Receive low-pass filter with sin x/x correction; Active RC noise filters; μ-law or A-law compatible COder and DECoder; Internal precision voltage reference; Serial I/O interface; Internal auto-zero circuitry; (2)μ-law, 16-pinDTP3054; (3)A-law, 16-pinDTP3057; (4)Designed for D3/D4 and CCITT applications; (5)±5V operation; (6)Low operating powerDtypically 50 mW; (7)Power-down standby modeDtypically 3 mW; (8)Automatic power-down; (9)TTL or CMOS compatible digital interfaces; (10)Maximizes line interface card circuit density; (11)Dual-In-Line or surface mount packages; (12)See also AN-370, "Techniques for Designing with CODEC/Filter COMBO Circuits".
Diagrams

| Image | Part No | Mfg | Description | ![]() |
Pricing (USD) |
Quantity | ||||||||||||
|---|---|---|---|---|---|---|---|---|---|---|---|---|---|---|---|---|---|---|
![]() |
![]() TP3057N/NOPB |
![]() National Semiconductor (TI) |
![]() Audio CODECs |
![]() Data Sheet |
![]()
|
|
||||||||||||
![]() |
![]() TP3057N |
![]() National Semiconductor (TI) |
![]() Audio CODECs |
![]() Data Sheet |
![]()
|
|
||||||||||||
(Hong Kong)










