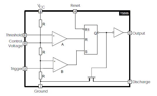
Product Summary
The TS555ID is a single CMOS timer which offers very low consumption (Icc(TYP) = 110μA at VCC=+5V versus) and high frequency ff(max.) = 2.7MHz versus. Thus, either in Monostable or Astable mode, timing remains very accurate. The TS555ID provides reduced supply current spikes during output transitions, which enables the use of lower decoupling capacitors compared to those required by bipolar NE555. Timing capacitors can also be minimized due to high input impedance (1012Ω).
Parametrics
TS555ID absolute maximum ratings: (1)VCC Supply Voltage: +18 V; (2)Tj Junction Temperature: +150℃; (3)Tstg Storage Temperature Range: -65℃ to +150℃; (4)PD Power dissipation: 715mW.
Features
TS555ID features: (1)very low power consumption : 110 μa typ at vcc = 5V, 90 μa typ at vcc = 3V; (2)high maximum astable frequency 2.7mhz; (3)pin-to-pin and functionally compatible with bipolar ne555; (4)wide voltage range : +2V to +16V; (5)high output current capability; (6)supply current spikes reduced during output transitions; (7)high input impedance : 1012Ω; (8)output compatible with ttl,cmos and logic mos.
Diagrams

| Image | Part No | Mfg | Description | ![]() |
Pricing (USD) |
Quantity | ||||||||||||
|---|---|---|---|---|---|---|---|---|---|---|---|---|---|---|---|---|---|---|
![]() |
![]() TS555ID |
![]() STMicroelectronics |
![]() Timers & Support Products Low Power Single BULK |
![]() Data Sheet |
![]()
|
|
||||||||||||
![]() |
![]() TS555IDT |
![]() STMicroelectronics |
![]() Timers & Support Products Low Power Single |
![]() Data Sheet |
![]()
|
|
||||||||||||
(Hong Kong)









