Product Summary
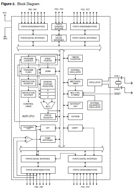
The ATMEGA8515L-8MU is an 8-bit microcontroller with 8K bytes in-system programmable flash. By executing powerful instructions in a single clock cycle, the ATMEGA8515L-8MU achieves throughputs approaching 1 MIPS per MHz allowing the system designer to optimize power consumption versus processing speed.
Parametrics
ATMEGA8515L-8MU absolute maximum ratings: (1)VRRM Maximum Repetitive Reverse Voltage: 200 V; (2)IF(AV) Average Rectified Forward Current: 200 mA; (3)IFSM Non-repetitive Peak Forward Surge Current: 1.0A; (4)Tstg Storage Temperature Range: -55 to +150 ℃; (5)TJ Operating Junction Temperature: 150 ℃.
Features
ATMEGA8515L-8MU features: (1)One 8-bit Timer/Counter with Separate Prescaler and Compare Mode; (2)One 16-bit Timer/Counter with Separate Prescaler, Compare Mode, and Capture Mode; (3)Three PWM Channels; (4)Programmable Serial USART; (5)Master/Slave SPI Serial Interface; (6)Programmable Watchdog Timer with Separate On-chip Oscillator; (7)On-chip Analog Comparator; (8)Power-on Reset and Programmable Brown-out Detection; (9)Internal Calibrated RC Oscillator; (10)External and Internal Interrupt Sources; (11)Three Sleep Modes: Idle, Power-down and Standby.
Diagrams

| Image | Part No | Mfg | Description | ![]() |
Pricing (USD) |
Quantity | ||||||||
|---|---|---|---|---|---|---|---|---|---|---|---|---|---|---|
![]() |
![]() ATmega8515L-8MU |
![]() Atmel |
![]() 8-bit Microcontrollers (MCU) AVR 8K FLASH 512B EE 3V-8MHZ |
![]() Data Sheet |
![]()
|
|
||||||||
![]() |
![]() ATMEGA8515L-8MUR |
![]() Atmel |
![]() 8-bit Microcontrollers (MCU) AVR 8KB FLSH 512B EE 512B SRAM-8MHz, IND |
![]() Data Sheet |
![]()
|
|
||||||||
(Hong Kong)










