Product Summary
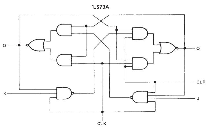
The SN74LS73AN is a dual J-K flip-flop with clear. The SN74LS73AN contains two independent J-K flip-flops with individual J-K, clock, and direct clear inputs. The SN74LS73AN contains two independent negative-edge-triggered flip-flops. The J and K inputs must be stable one setup time prior to the high-to-low clock transition for predictable operation. When the clear is low, it overrides the clock and data inputs forcing the Q output low and the Q output high. The SN74LS73AN is characterized for operation from 0℃ to 70℃.
Parametrics
SN74LS73AN absolute maximum ratings: (1)Supply voltage, VCC: 7 V; (2)Input voltage: 7 V; (3)Operating free-air temperature range: 0℃ to 70℃; (4)Storage temperature range: -65℃ to 150℃.
Features
SN74LS73AN features: (1)Package Options Include Plastic "Small Outline" Packages, Flat Packages, and Plastic and Ceramic DIPs; (2)Dependable Texas Instruments Quality and Reliability.
Diagrams

| Image | Part No | Mfg | Description | ![]() |
Pricing (USD) |
Quantity | ||||||||||||
|---|---|---|---|---|---|---|---|---|---|---|---|---|---|---|---|---|---|---|
![]() |
![]() SN74LS73AN |
![]() Texas Instruments |
![]() Flip Flops Dual J-K Flip-Flops with Clear |
![]() Data Sheet |
![]()
|
|
||||||||||||
![]() |
![]() SN74LS73ANE4 |
![]() Texas Instruments |
![]() Flip Flops Dual J-K Flip-Flops with Clear |
![]() Data Sheet |
![]()
|
|
||||||||||||
(Hong Kong)









